Analog inputs module with MODBUS RTU output.
MR-AI-1 module serves as an external analog input device extending PLCs or other devices in which data exchange is via the RS-485 according to the MODBUS RTU protocol.
Functioning
The module has 4 universal analog inputs. Input type compatible 0-10V (voltage U) or 4-20mA (current I) is determined using internal jumpers. The module measures the value of input current and voltage on all inputs regardless of the hardware configurations of input types (location of jumpers). However, they will be properly measured input values for which this entry is configured.
Reading values of the input currents or voltages and setting communication parameters is realized through the RS-485 port using MODBUS RTU communication protocol. Switching voltage is indicated by a green LED U. Correct data exchange between the module and the second device unit is indicated by a yellow LED Tx.
Reset communication settings
Under cover is available code switch.
Details of resetting available in the instructions below.
MR-AI-1 I/O connections

Schematic diagram of various types of analog converters

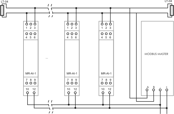
Module in RS-485 network

Network address setup

Reset communication settings
















Beoordelingen
Er zijn nog geen beoordelingen.