Eén functie.
Stroomrelais wordt gebruikt om de waarde van de stroom in het circuit te regelen, gemeten met schakelcontacten als de waarde van de stroom boven de ingestelde drempelwaarden komt.
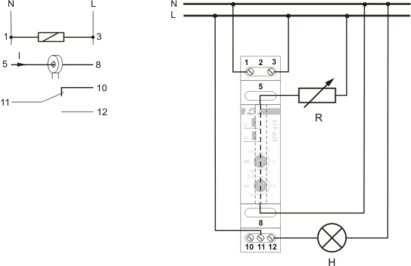
Werking:
De activering van het relais wordt gesignaleerd door het schijnen van de groene LED “U”. Met de potentiometer wordt de activeringswaarde van de stroom ingesteld. Als de ingestelde waarde van de stroom lager is dan de ingestelde drempelwaarde, dan is de verbinding open (positie 11-10). Als de ingestelde waarde van de stroom de ingestelde drempel overschrijdt, wordt de verbinding gesloten (positie 11-12) met ingestelde tijdvertraging “t”. Overschrijding van de ingestelde drempel wordt gesignaleerd door het schijnen van de rode LED I<. Verlaging van de waarde van de stroom onder de ingestelde drempel zal de verbinding automatisch openen in positie 11-10.

LET OP!
De stroom van de ontvanger kan groter zijn dan 16 A. Wordt alleen beperkt door de doorsnede van de kabel.
















Beoordelingen
Er zijn nog geen beoordelingen.